合新通信

—— 全球值得信赖的光纤传输系统解决方案提供商

Hexin Communications
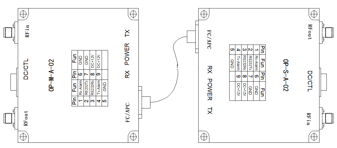
CWDM多链路收发一体射频光模块
    发布时间: 2025-04-08 22:41    

合新通信推出的WDM多链路收发一体光模块,采用直接调制高线性DFB激光器的方式实现模拟信号到光信号的转换,并且可通过波分复用实现多路高达6Ghz射频信号在一根光纤上的传输,主要应用于移动天线、微波延迟线、卫星地面站、射频信号远距离传输等领域。

CWDM多链路收发一体射频光模块